真空交流接触器广泛适用于,煤矿、电力、冶金、化工、纺织、建筑路灯、等行业或部门。它在馈电网络中,主要是供远距离接通和分断电路,以及频繁起动和停止交流电动机之用。特别适宜与各种保护装置配合组装成隔爆型电磁起动器。其特点是熄孤能力强,耐压性能好,操作频率较高,寿命长,无电弧外喷,体积小、重量轻、维修量少等。
CKJ-630/3.6型交流真空接触器技术参数
|
参数项目 |
单位 |
数值 |
|
主回路额定电压 |
kV |
3.6 |
|
主回路额定电流 |
A |
400(630) |
|
主回路接通能力 |
A/100次 |
4000(6300) |
|
主回路通断能力 |
A/50次 |
3200(5040) |
|
极限分断能力 |
A/3次 |
4000(6300) |
|
电寿命AC4 |
次 |
≥1.5×104 |
|
机械寿命 |
次 |
≥3.0×105 |
|
额定操作频率AC3 |
次/h |
300 |
|
额定操作频率AC4 |
次/h |
120 |
|
触头开距 |
mm |
3.5±0.5 |
|
触头超程 |
(mm) |
1.5±0.5 |
|
短时操作频率 (20秒) |
次/h |
600 |
|
三相同期性 |
ms |
≤3 |
|
工频耐压 |
kV |
18 |
|
重量 |
kg |
12 |
|
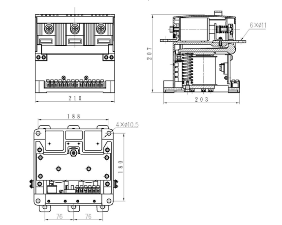
外形尺寸(长x宽x高) |
mm |
210×203×207 |
|
安装尺寸(长×宽) |
mm |
188×180 |
CKJ-630/3.6型交流真空接触器外形及安装尺寸图
