低压真空断路器广泛适用于,煤矿、电力、冶金、纺织等行业及高层建筑配电系统中。用来分配电能,对电网及电器设备等实行保护和控制,更适合在防爆电气中使用。具有体积小、重量轻、少检修的优点。
ZK4-200/1.14-4.5型低压真空断路器技术参数
|
参数项目 |
单位 |
数值 |
|
额定电压 |
V |
1140 |
|
额定电流 |
A |
200 |
|
额定频率 |
Hz |
50 |
|
约定发热电流 |
A |
200 |
|
额定短路通断电流 |
kA |
4.5 |
|
额定短路通断次数 |
次 |
16 |
|
电寿命 |
次 |
≥3000 |
|
机械寿命 |
次 |
≥15000 |
|
固有合闸时间 |
ms |
≤100 |
|
固有分闸时间 |
ms |
≤50 |
|
三相不同期 |
ms |
<1 |
|
单极合闸回路电阻 |
μΩ |
≤150 |
|
触头开距 |
mm |
2.5 |
|
触头超程 |
mm |
1.5 |
|
重量 |
kg |
10 |
|
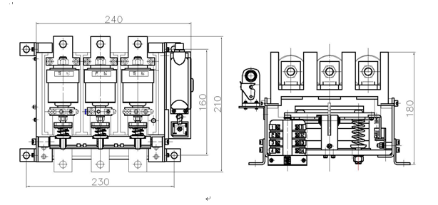
外形尺寸(长×宽×高) |
mm |
240×210×180 |
|
安装尺寸(长×宽) |
mm |
230×160 |
ZK4-200/1.14-4.5型低压真空断路器外形及安装尺寸图
